Современные контактные провода и тросы
Пн - Пт: 09:00 - 20:00,   Сб - Вс: 10:00 - 16:00
Заказать звонок sale@expert-cable.ru Быстрая заявка

Современные контактные провода и тросы

В эпоху развития высокоскоростного движения мы сталкиваемся с принципиально новыми вызовами в системе токосъема. Если для обычных линий скорость 160-200 км/ч является рабочей, то для ВСМ 2.0 (скорости 360-400 км/ч) требования к контактным проводам и несущим тросам меняются кардинально.

Медь — материал прекрасный, но для скоростей свыше 250-300 км/ч его механической прочности становится недостаточно. При высокой скорости пантограф создает ударную волну и возникает эффект «отрыва» токоприемника и образование стоячих волн на проводе. Это приводит к искрению и ускоренному износу.

Для высокоскоростного движения предполагается использование не чистой меди, а бронзы (сплав меди с кадмием, оловом или магнием).

Прочность: Бронзовый провод выдерживает значительно более высокое механическое натяжение (в 1.5-2 раза выше, чем медь). Это позволяет натянуть провод так туго, что волна от пантографа просто не успевает образоваться.

Проводимость: Проводимость бронзы ниже (40-85% от меди), это компенсируется увеличенным сечением провода (как правило, от 120 до 150 мм² и более).

ООО «Кабельный Завод «ЭКСПЕРТ-КАБЕЛЬ» отвечают на эти вызовы и готов предложить серийный выпуск на своих производственных площадях контактных проводов и тросов для высокоскоростных магистралей.

Все стадии разработки и постановки устройств на серийное производство соответствует по ГОСТ. 

Несущие тросы контактной сети для (ГОСТ 32697-2019)

Несущие тросы для железнодорожных канатных подвесок служат для передачи электрического тока и подвешивания к нему га струнах контактных проводов.

Рисунок3.png

Несущие тросы для ВСМ изготовлены из бронзы первой (Бр1) и второй (Бр2) группы по ГОСТ 32697. Без покрытия.

Номинальное сечение - 120 мм2

Основные геометрические размеры несущих тросов Бр1-120 и Бр2-120

Рисунок4.png

Строительная длина  от 1500 м

Бр1–120

Бр2–120

Разрывное усилие, не менее

56 кН

71 кН

Удельное электрическое сопротивление, Ом/км, при температуре 20 ’С,  не более

0,1780

0,2376

Допустимое механическое напряжение, МПа, не более

210

250

Допустимая температура, 'С, не более

120

150

Относительная ползучесть, %, не более

0,08

Трос должен выдерживать вибрацию с частотой от 8 до 18 Гц и амплитудой от 3 до 10 мм. Надежность не менее 45 лет

В комплект поставки троса входит: трос, паспорт, упаковка

 

Упаковка: намотка на деревянные барабаны по ГОСТ 5151 с полной или частичной обшивкой. Расстояние между верхними витками троса и краем щеки должно быть не менее 50 мм.

Перекручивание и нарушение порядка в рядах намотки на барабане не допускается.

Несущие тросы не подлежат обязательной сертификации.


Контактные провода (ГОСТ 55647-2018)

Контактные провода предназначенны для контактной сети электрифицированных железных дорог и служат для передачи и съема с него электрического тока токоприемниками электроподвижного состава через скользящий контакт.

Рисунок2.png

Контактные провода для ВСМ изготовлены из бронзы первой (Бр1) и третьей (Бр3) группы по ГОСТ 32697. Без покрытия. Бронзовые провода изготавливают из катанки с дополнительным легированием. Применение лома цветных металлов для изготовления проводов не допускается.

 

 

Бр1

Бр3

Номинальное сечение, мм2

120

150

Относительная ползучесть должна быть не более 0,32 % при усилии, обеспечивающем механическое напряжение, МПа

210

280

Временное сопротивление при растяжении, не менее, МПа

420

543,9

Удельное электрическое сопротивление, мкОм*м, при температуре 20 С, не более

0,028

,0314

Расчетное электрическое сопротивление, Ом/км, при температуре 20 С, не более

0,1733

0,2094

Расчетная масса 1 км, кг

1068

1335

 

Строительная длина  - от 1300 м

Временное растяжение Бр3 – 580 мПа


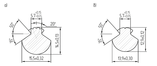
Основные геометрические размеры

Рисунок5.png

а) контактный провод Бр3-150                б) контактный провод Бр1-120

В комплект поставки троса входит: трос, паспорт, упаковка – намотка на барабаны по ГОСТ 18690.


ООО «Кабельный Завод «ЭКСПЕРТ-КАБЕЛЬ» предлагает свое производство для перехода от медного провода к высокопрочным бронзовым системам для ВСМ, где приоритетом становится не просто проводимость, а комплексная механическая надежность при сверхвысоких скоростях.

ООО «Кабельный Завод «ЭКСПЕРТ-КАБЕЛЬ» готов предоставить необходимое кол-во образцов для испытаний. Все стадии разработки и постановки устройств на серийное производство соответствует по ГОСТ 33477. 

Испытания, которые сегодня ведутся, — это не просто проверка материалов, это отработка технологии будущего. Наша задача, как производителя, обеспечить стабильность качества сплавов и геометрии профиля, а задача эксплуатации — точное соблюдение режимов натяжения и диагностики.